因新冠病毒肺炎疫情的影響,口罩供不應求,而作為口罩的核心原料熔噴布,更是無法滿足現今口罩廠家的需求。現今市場上從事口罩生產的企業達到數千家,這很大程度上刺激了對熔噴布的生產和需求。鄭州計量泵廠家提供的熔噴計量泵,主要應用于熔噴布生產線,是生產熔噴布不可或缺的設備;對于鄭州巴特提供的熔噴布專用計量泵,擁有哪些方面的優勢,將在詳細詳細的闡述說明。

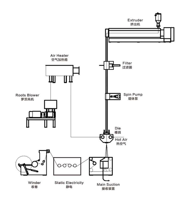
熔噴布生產工藝流程為:原材料---->熔融擠出---->過濾---->計量(熔噴布專用計量泵)---->空氣加熱壓縮---->熔噴---->成網---->收卷。熔噴計量泵在熔噴布生產線上的作用是:精準計量,控制產量和纖維的細度,將熔體連續均勻輸送到噴絲頭。

采用熔噴法工藝生產熔噴布,其設備主要包括:螺桿擠出機、熔噴布計量泵、熔噴換網過濾器、熔噴裝置、卷繞裝置機、空氣系統(熱風機與加熱器)等。螺桿擠壓機作用是:將切片物料熔化;熔噴布計量泵其作用是:精準計量,控制產量和纖維的細度,將熔體連續均勻輸送到噴絲頭。熔噴換網器其作用是:將熔體中的雜質過濾掉,以免堵塞噴絲孔。卷繞裝置機的作用是:將熔噴布成卷包裝。空氣系統(熱風機與加熱器)的作用是:提供紡絲氣流拉伸時所用的熱空氣的溫度與壓力。
鄭州巴特計量泵廠家提供的熔噴布專用計量泵具有穩定輸出壓力、提高產品品質、提高擠出產量、降低單位能耗等優勢。詳細了解關于熔噴布計量泵價格或者產品性能,請咨詢我們24小時服務熱線:0371-67993077
鄭州巴特熔體泵有限公司
主營產品:計量泵、齒輪泵、熔體泵、高溫熔體泵、
熔體齒輪泵、熔體計量泵、化學泵、化工泵。
主要聯系方式:
國內銷售部:0371-67993077 67993177
國外銷售部:0371-61682066 61682088
相關熱詞搜索: